Cummins 4800574
Servicing: Cummins, Various Agriculture Vehicles, Vermeer
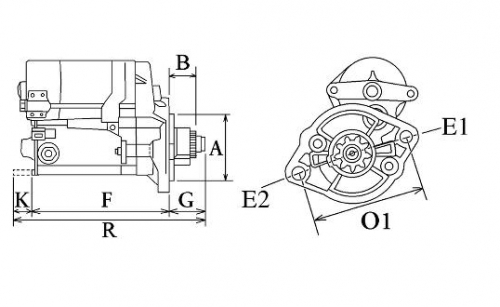
B+ M8, Total length 220.00,Gear type GR, Mount. holes 2 (0) A: 82.50 B: 26.00 mm
Volt 12, Kw 2.0, Anzahl der Zähne 15, Umlaufsrichtung CR, Getriebetyp GR, Montageflansch 82.50, B+ M8,
Ritzelabs. 26.00, Löcher 12.50, Loch 2 12.50, Abs./Hinten 139.00, Abs./Vorne 39.00, Halterungen Nein,
Abstand mm 105.00, Gesamtlänge mm 220.00
