Bosch 0001125054 0001125053
Volkswagen 03G911023
Servicing: Audi, Seat, Skoda
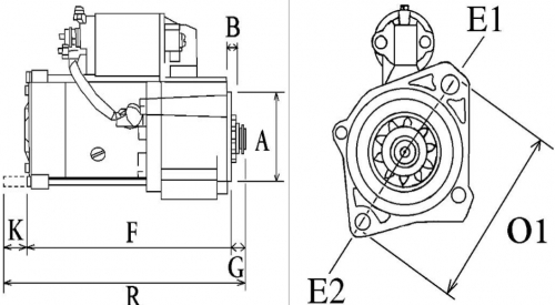
B+ M8, Total length 244.00,Gear type GR, Mount. holes 2 (2)A: 82.00 B: 2.00 mm
Volt 12, Kw 2.0, Anzahl der Zähne 9, Umlaufsrichtung CR, Getriebetyp GR, Montageflansch 82.00, B+ M8, Ritzelabs. 2.00,
Löcher M12, Loch 2 M12, Abs./Hinten 221.00, Abs./Vorne 6.00, Gewindelänge mm 14.00, Halterungen Nein,
Abstand mm 101.50, Gesamtlänge mm 244.00

