Anlasser 12V/2,8kw 10z f.Iskra IS0632 11.130.632 11130632 AZJ3206 MS149 168065M3 1691805R2 1808449R2 1868283M5 1893705T 3597371R
Anlasser 12V/2,8kw 10z f.Iskra IS0632 11.130.632 11130632 AZJ3206 MS149 168065M3 1691805R2 1808449R2 1868283M5 1893705T
3597371R2 9142764 6005706637 0001362084 26344 26411 26365 27522 27540 27571
Wir schlagen vor, den Reduktionsgetriebestarter IS1395 zu verwenden
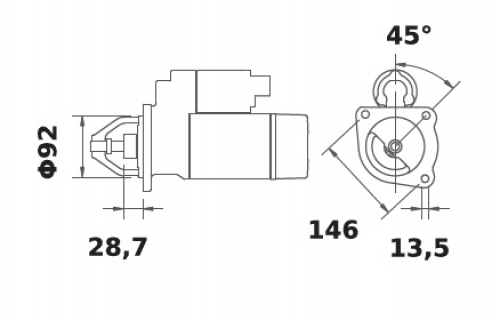
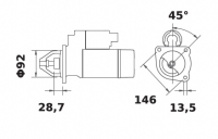
Bestellnummer:IS0632
Ref.-Nr.: (Ref.-Nr.dienen lediglich Vergleichszwecken)
Servicing:
BOSCH 0001362084
CARGO 110818
CLAAS 6005706637
Iskra IS0632 11.130.632 11130632 AZJ3206 MS149
LESTER 17653
LUCAS 26344 26411 26365 27522 27540 27571
MAGNETON 9142764
MASSEY-FERGUSON 168065M3 1691805R2 1808449R2 1868283M5 1893705T 3597371R2
SPAREX 41138
