Bosch 0001125040 0001125039 0001125010 0001125009
Volkswagen 02A911024E 02A911023S
Servicing: Seat, VW
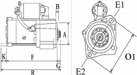
B+ M8, Total length 243.00,Drive type Steel, Gear type GR,Mount. holes 2 (0)A: 76.20 B: 53.00 mm
Volt 12, Kw 1.8, Anzahl der Zähne 9, Umlaufsrichtung Gegen den Uhrzeigersinn, Getriebetyp GR, Montageflansch 76.20,
B+ M8, No./mount. holes 2 (0), Ritzelabs. 53.00, Löcher 12.50, Loch 2 12.50, Abs./Hinten 175.00, Abs./Vorne 56.00,
Halterungen Nein, Abstand mm 125.00, Gesamtlänge mm 243.00, Ritzeltyp Stahl
