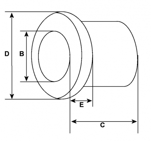
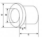
Buchse Kollektorbuchse f.Anlasser AD mm 16.00 ID mm 10.00 Länge mm 21.00
Manschettehöhe mm 2.00 O.D der Kragen 24.00
Bestellnummer:137497
Ref.-Nr.: (Ref.-Nr.dienen lediglich Vergleichszwecken)
Replacing:
ValeoServicing:
AD mm 16.00 ID mm 10.00 Länge mm 21.00 Manschettehöhe mm 2.00 O.D der Kragen 24.00
