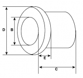
Buchse f.Anlasser AD mm 11.55 ID mm 8.12 Länge mm 9.00 Manschettehöhe mm 1.50 O.D der Kragen 14.10
Buchse f.Anlasser AD mm 11.55 ID mm 8.12 Länge mm 9.00 Manschettehöhe mm 1.50 O.D der Kragen 14.10
Bestellnummer:141091
Ref.-Nr.: (Ref.-Nr.dienen lediglich Vergleichszwecken)
Replacing:
Servicing:
Magneti Marelli 63101007 63191007
AD mm 11.55 ID mm 8.12 Länge mm 9.00 Manschettehöhe mm 1.50 O.D der Kragen 14.10
