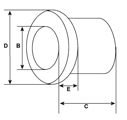
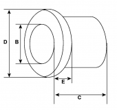
Buchse f.Anlasser AD mm 12.95 ID mm 10.10 Länge mm 10.45 Manschettehöhe mm 1.95 O.D der Kragen 15.95
Bestellnummer:140731
Ref.-Nr.: (Ref.-Nr.dienen lediglich Vergleichszwecken)
Replacing:
Mitsubishi md618334 m409x32571 m409x32471 m409c32470 m409c32401
Servicing:
Mitsubishi 1810A062 1810A101 1810A143 M0T20471 m0t20472 M0T21471 M0T21771 M0T22471
M0T22472 M0T30471 M0T30771 M0T30871
ID 10.10, OD 12.95, OD/ collar 15.95,Length 10.45, Height/ collar 1.95,Material Copper
AD mm 12.95, ID mm 10.10, Länge mm 10.45, Manschettehöhe mm 1.95, O.D der Kragen 15.95
