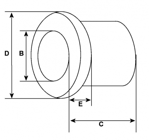
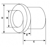
Buchse f.Anlasser AD mm 14.00 ID mm 8.40 Länge mm 13.00 Manschettehöhe mm 2.45 O.D der Kragen 19.95
Bestellnummer:135216
Ref.-Nr.: (Ref.-Nr.dienen lediglich Vergleichszwecken)
Replacing:
Bosch 1120322000Servicing:
AD mm 14.00 ID mm 8.40 Länge mm 13.00 Manschettehöhe mm 2.45 O.D der Kragen 19.95
