×
0
0,00 €
Anmelden
Merkzettel
Tel.: +49 (0)39325 254865
Kontakt
Impressum
Nichts gefunden? Rufen Sie an. Wir beschaffen das Ersatzteil.
0
0,00 €
Startseite
KATEGORIEN
Kfz Ersatzteile PKW + US Cars
Kfz Ersatzteile LKW Trucks
Thermo King Carrier
Ersatzteile Hubladebühnen LBW
Ersatzteile Motorräder
Ersatzteile Baumaschinen
Ersatzteile Land-Forstmaschine
Ersatzteile Gabelstapler
Marine Bootsbedarf
Elektrikbedarf Installation
Elektronik Signalgeräte
Nato Stecker Dosen Zubehör
Dieseltechnik
Hydraulikteile SPX
Dynastarter + Zubehör
Gleichstrommotore + Zubehör
Anlasser A-Z
Teile für Anlasser
Lichtmaschinen A-Z
Teile für Lichtmaschinen
Klimakompressoren A-Z
Sonderangebot Abverkauf
NEUE Produkte
SONDERANGEBOT Nur für kurze Zeit
Verbrauchsmittel Chemie
Startseite
Katalog
Gleichstrommotore + Zubehör
DC Motore Gleichstrommotore
Georgi Kostov
IM0011
Felder, die mit einem * markiert wurden sind Pflichtfelder.
Ihr Name
Ihre Email-Adresse*:
Ihre Nachricht:
Sicherheitsprüfung
Ihre Daten werden in unserer Kundendatenbank aufgenommen.
Es gilt unsere Datenschutzerklärung
Absenden
×
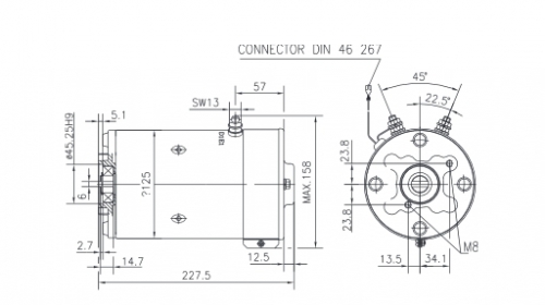
DC-Motor Gleichstrommotor CR 24V/3,0KW f.Georgi Kostov EC3/2.4/35-02 IM0011 AMK5633 11.212.306 11212306
585,00 €
incl. 19% UST zzgl.
Versandkosten
Artikel Nr.
IM0011
EAN
4056583057128
Verfügbarkeit
Stock:
Lieferzeit*
1-3 Tage
Merkzettel
In den Warenkorb
Datenblatt
Frage zum Artikel
Artikelbeschreibung
Technische Details
DC-Motor Gleichstrommotor CR 24V/3,0KW f.Georgi Kostov EC3/2.4/35-02 IM0011 AMK5633 11.212.306 11212306
DC-Motor Gleichstrommotor CR 24V/3,0KW f.Georgi Kostov EC3/2.4/35-02 IM0011 AMK5633 11.212.306 11212306
Bestellnummer:IM0011
Ref.-Nr.: (Ref.-Nr.dienen lediglich Vergleichszwecken)
Ama 122215
Dautel 06736
Delco Remy
Dhollandia MP021 MP21
Georgi Kostov EC3/2.4/35-02
Hesselman 24M4TWA 24MC42TWA
Iskra IM0011 AMK5633 11.212.306 11212306
Zepro 21218
Spannung:24V
Leistung:3,0KW
Drehzahl:3300U/min.
Drehrichtung:CR
S1:-
S2:4min.
S3:15%ED
Masse:12kg
Flansch:Hesselman
Thermoschutz:Ja
Belüftung:No
Anwendung: Hydraulik
Neue Artikel
DC-Motor Gleichstrommotor CR 24V/2,2 kw Iskra IM0434 MM397 11218140AMJ5926
243,70 €
Zuletzt angesehen
YES-System - ERP Software für den Onlinehandel