Nichts gefunden?  Rufen Sie an. Wir beschaffen das Ersatzteil.

Druckregler Wabco 9753035047 N2509999139 501829184 5021170480 1935694

130,90 €
incl. 19% UST zzgl. Versandkosten
Artikel Nr.
9753035047
Verfügbarkeit
Stock:
Lieferzeit*
1-3 Tage
Merkzettel
  • Technische Details

    Druckregler Wabco 9753035047 N2509999139 501829184 5021170480 1935694

    Druckregler Wabco 9753035047 N2509999139 501829184 5021170480 1935694

     

     

     

     

    Bestellnummer:9753035047

    Ref.-Nr.: (Ref.-Nr. dienen lediglich Vergleichszwecken)

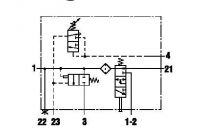
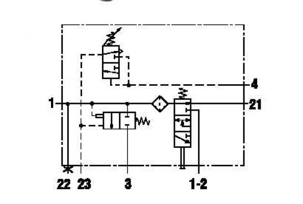
    1. Abschaltdruck: 10.0±0.2 bar
    2. Schaltspanne: 0.7+0.6 bar
    3. Temperaturbereich: -40° ... +150°C
    4. Anschlussgewinde: M 22x1.5
    5. Sicherheitsventil: 14.0+3 bar
    6. 22 Nebenverbraucher: verschlossen; M 12x1.5
    7. Reifen füllen 1-2: vorhanden

     


 

Alle Preise inkl. gesetzl. Mehrwertsteuer zzgl. Versandkosten und ggf. Nachnahmegebühren, wenn nicht anders beschrieben.
Die durchgestrichenen Preise entsprechen dem bisherigen Preis bei campe-fahrzeugbedarf.de
Lieferzeit Hinweis für die BRD (Ausland + 7 Werktage); Gilt bei der Zahlungsart Vorkasse ab dem Tag nach der Zahlungsanweisung des Kunden; bei anderen Zahlungsarten ab dem Tag nach Vertragsschluss.