Bosch 0001123003 0001123002
Porsche 95560410700
Volkswagen 012911023F 012911023E
Servicing: Audi, Porsche, VW
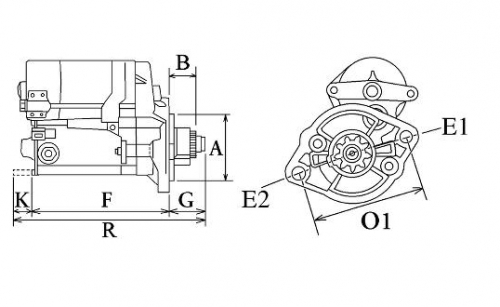
B+ M8, Total length 232.00,Gear type GR, Mount. holes 2 (1) A: 76.20 B: 9.00 mm
Volt 12, Kw 1.7, Anzahl der Zähne 9, Umlaufsrichtung CR, Getriebetyp GR, Montageflansch 76.20, B+ M8, Ritzelabs. 9.00,
Löcher M12, Loch 2 12.50, Abs./Hinten 207.50, Abs./Vorne 12.00, Halterungen Nein, Abstand mm 118.60,
Gesamtlänge mm 232.00
