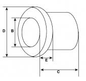
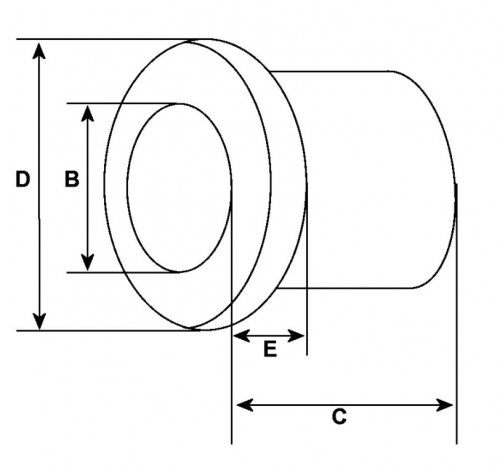
Buchse f.Anlasser AD mm 12.70 ID mm 9.60 Länge mm 9.62 Manschettehöhe mm 1.63 O.D der Kragen 17.75
Buchse f.Anlasser AD mm 12.70 ID mm 9.60 Länge mm 9.62 Manschettehöhe mm 1.63 O.D der Kragen 17.75
Bestellnummer:141217
Ref.-Nr.: (Ref.-Nr.dienen lediglich Vergleichszwecken)
Replacing:
Tecumseh STC7103
Servicing:
Tecumseh 33835
AD mm 12.70 ID mm 9.60 Länge mm 9.62 Manschettehöhe mm 1.63 O.D der Kragen 17.75
