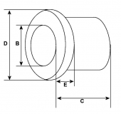
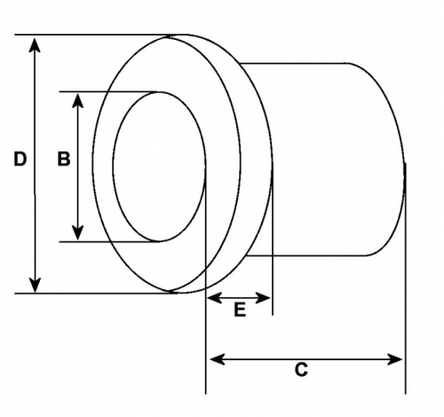
Buchse f.Anlasser AD mm 14.34 ID mm 11.14 Länge mm 9.00 Manschettehöhe mm 1.50 O.D der Kragen 17.50
Bestellnummer:141014
Ref.-Nr.: (Ref.-Nr.dienen lediglich Vergleichszwecken)
Replacing:
Lucas
Servicing:
Lucas M78 M80R 26009 26715 26801 26809 26810 26813 26815 26816 26823 26824 26830
26831 26832 26833 26834
ID 11.14, OD 14.34, OD/ collar 17.50,Length 9.00, Height/ collar 1.50,Material Copper
AD mm 14.34 ID mm 11.14 Länge mm 9.00 Manschettehöhe mm 1.50 O.D der Kragen 17.50
