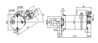
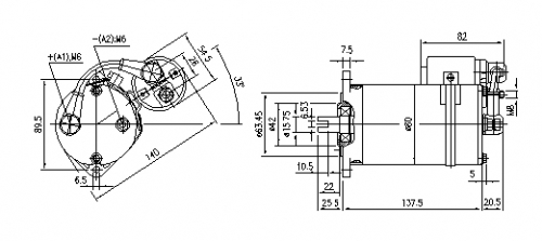
Zuletzt angesehen Mahle DC Motor Gleichstrommotor CR/ACR 24V/1,6kw f.Mahle MM115 IM0101 AMP4662 11214292 11.214.292 1.290,00 €